
Electrical
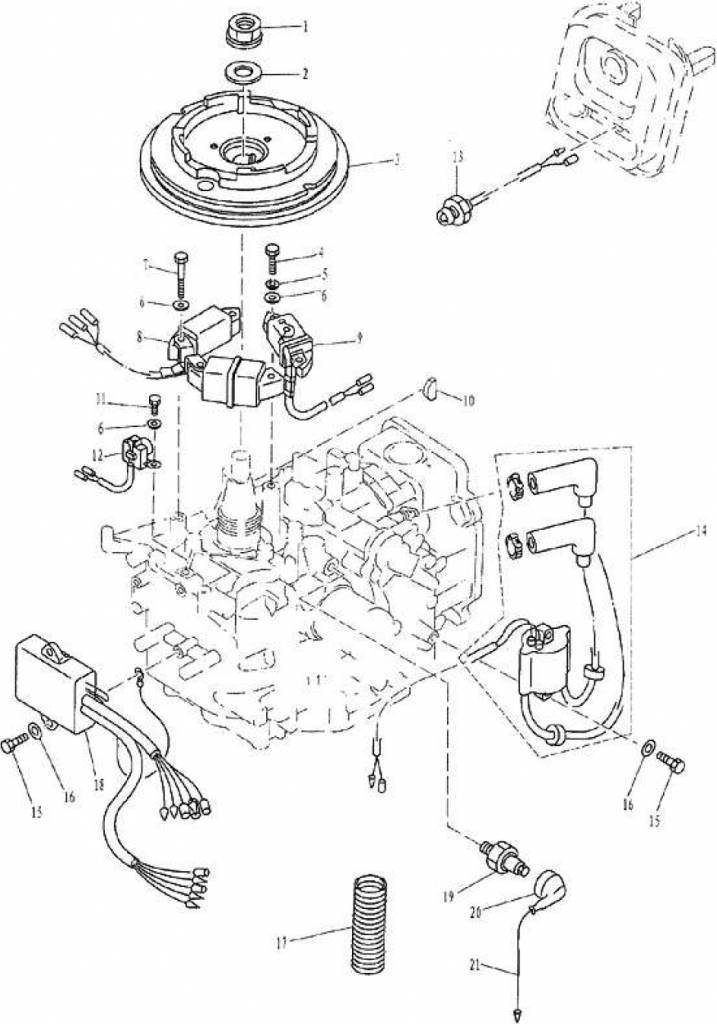
Nummer: | Bestelnummer: | Yamaha OEM: | Omschrijving: |
1 | PAF15-07000006 | 90179-16M05 | NUT, FLYWHEEL |
2 | PAF15-07000005 | 90201-16M44 | WASHER, FLYWHEEL NUT |
3 | PAF15-07070000 | 66M-85550-00 | FLYWHEEL ASSY |
4 | PAGB/T5783-2000 | HEXAGON BOLT | |
5 | PAGB93-1987 | WASHER, SPRING | |
6 | PAGB/T97.1-2002 | WASHER 6 | |
7 | PAGB/T5783-2000 | HEXAGON BOLT | |
8 | PAF15-07000400 | 66M-85533-00 | COIL, CHARGE 'A' & 'B' ASSY |
9 | PAF15-07000300 | 66M-85520-00 | COIL |
10 | PAF15-0700004 | 90280-05001-00, 90280-05013 | KEY, SEMI CIRCLE FLYWHEEL |
11 | PAGB/T5783-2000 | HEXAGON BOLT | |
12 | PAF15-07000200 | 66M-85580-00 | COIL, PULSER |
13 | PAF15-07130303 | 65W-85410-01 | EMERGENCY SIGNAL LIGHT ASSY |
14 | PAF15-07000600 | 66M-85570-00 | HIGH PRESSURE ASSY |
15 | PAGB/T5783-2000 | HEXAGON BOLT | |
16 | PAGB/T97.1-2002 | WASHER | |
17 | PAF15-07000003 | 6H1-83557-00, 6N7-83557-00 | RIPPLE TUBE |
18 | PAF15-07000500 | 66M-85540-10 | C.D.I. UNIT ASSY |
19 | PAF15-07010103 | 62Y-82504-10 | OIL PRESSURE SENSOR |
20 | PAF15-07010101 | JACKET, INSULATION | |
21 | PAF15-07010102 | 66M-82127-10 | LEAD WIRE ASSY |
-
Yamaha/Parsun Ripple Tube (6H1-83557-00, 6N7-83557-00)Vanaf € 4,95 € 4,09
-
Yamaha/Parsun Washer, Flywheel Nut (90201-16M44)Vanaf € 8,95 € 7,40
-
Yamaha/Parsun Nut, Flywheel (90179-16M05)Vanaf € 15,95 € 13,18
-
Yamaha/Mercury/Mariner/Parsun Wire Lead Oil Sensor (66M-82127-10-00)Vanaf € 27,95 € 23,10
-
Mercury/Yamaha/Tohatsu/Parsun Vliegwiel 9,9/15 pk 4-takt (66M-85550-00, 856031)Vanaf € 146,95 € 121,45
-
Yamaha/Mercury/Mariner/Tohatsu/Parsun Emergency Signal Light Assy (65W-85410-01-00)Vanaf € 19,95 € 16,49
-
Yamaha/Parsun Coil Pulser 9.9/15 pk (66M-85580-00)Vanaf € 39,95 € 33,02
-
Yamaha/Mercury/Mariner/Parsun Powerpack F9,9-F15 4T 00-07, T9,9 4T 05 835401T1 / 66M-85540Vanaf € 89,95 € 74,34
-
Yamaha/Mercury/Parsun Coil Lighting: F9,9/F15 98-05 (66M-85533-00-00) 835387/855944Vanaf € 59,95 € 59,95
-
Yamaha/Mercury/Parsun Stator Coil F9,9/F15 98-07 (66M-85520-00)Vanaf € 49,95 € 49,95
-
Yamaha/Parsun Washer, Spring (PAGB93-1987)€ 4,95 € 4,09
-
Yamaha / Parsun Washer 6 (PAGB/T97.1-6)€ 4,95 € 4,09