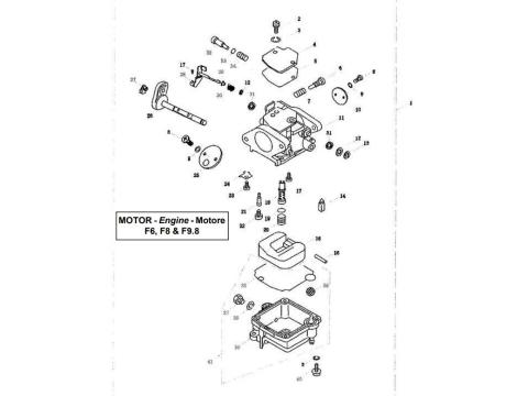
F6 / F8 / F9.8 Onderdelen

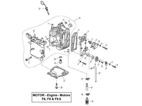
F6 / F8 / F9.8 Onderdelen