The store will not work correctly when cookies are disabled.
    
        
    
    
    
        Onderdeel niet gevonden?    
    
        Kunt u een onderdeel niet vinden? Wij helpen u graag verder!
Klik hier
     
 
  
    
        Bracket    
    
    
    
        
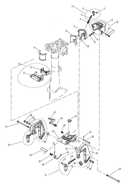
| Nummer: | Bestelnummer: | Yamaha OEM: | Omschrijving: | 
| 1 | GB/T875-86 | 90266-04M05 | RIVET | 
| 2 | PAF4-01060002 | 68D-G2561-01, 6EE-G25610000 | CLAMP HANDLE | 
| 3 | PAF2.6-01050101 | 69M-42529-00, 6EGG-252900 | LOCKED SCREW | 
| 4 | PAF2.6-01050002 | 90501-12803 | SPRING | 
| 5 | PAF2.6-01050001 | 69M-G3312-00-4D | COVER, SWIVEL BRACKET | 
| 6 | PAF2.6-00000101 | 69M-G3318-00-00 | COVER, BRACKET | 
| 7 | PAGB/T818-2000 |  | SCREW, PAN HEAD | 
| 8 | PAGB/T97.1-85 | 66M-11327-00-94 | WASHER | 
| 9 | PAGB/T5783-2000 | 68D-E5362-00 | BOLT | 
| 10 | PAF2.6-01050200 | 69M-42528-00 | LOCKED BLOCK ASSY | 
| 11 | PAF2.6-01000003 | 69M-G2537-00 | BUSHING A | 
| 12 | PAF2.6-01000004 | 69M-G2538-00 | BUSHING B | 
| 13 | PAF2.6-01050100 |  | LOCKED HANDLE ASSY | 
| 14 | PAF2.6-01040100 | 69M-44557-00 | DAMPER | 
| 15 | PAF2.6-01040001 | 69M-G3351-00 | BRACKET, THRUST RECEIVE | 
| 16 | PAF2.6-01030007 | 69M-G3186-00, 6EGG-318600 | LEVER | 
| 17 | PAF2.6-01030100 | 69M-43180-00 | TILT CLAMP HANDLE ASSY | 
| 18 | PAF4-01090006 | 90386-08032 | BUSHING | 
| 19 | PAF2.6-01030003 | 69M-G3188-00-00 | SPRING | 
| 20 | PAF2.6-01030004 | 69M-G3185-00-00 | LEVER,TILT LOCK | 
| 21 | PAGB/T879.2-2000 | 91609-25014 | PIN | 
| 22 | PAGB/T7940.1-95 | 93700-06M03-00 | NIPPLE, GREASE | 
| 23 | PAF2.6-01030001 | 69M-G3311-00-4D | BRACKET, SWIVEL | 
| 24 | PAF2.6-01030005 | 69M-G3164-00-00 | ROD, TILT LOCK | 
| 25 | PAGB/T896-86 | 93430-06005 | CLIP | 
| 26 | PAF2.6-01030006 | 69M-G3166-00, 6EGG-316600 | PIN | 
| 27 | PAF2.6-01000001 | 90101-08M07 | BOLT | 
| 28 | PAGB/T6172.1-85 | 95380-08700 | NUT | 
| 29 | PAGB/T6170-85 | 95380-08600 | NUT | 
| 30 | PAGB/T96-1985 |  | WASHER | 
| 31 | PAF2.6-01010000 | 69M-G3111-00-4D | BRACKET LEFT ASSY | 
| 32 | PAF2.6-01020000 | 69M-G3112-00-4D | BRACKET RIGHT ASSY | 
| 33 | PAF4-01010005 | 90243-04M01 | RIVET | 
| 34 | PAF4-01010002 | 6E0-43116-01-00 | CLAMP BOLT | 
| 35 | PAF4-01010004 | 6L8-G3118-01 | CLAMP SHIPBOARD HANDLE | 
| 36 | PAF4-01010003 | 620-43114-00, 648-43114-01 | CLAMP PLATE | 
| 37 | PAF2.6-01000002 | 90201-06040 | BUSH, BOLT | 
| 38 | PAGB/T889.1-2000 | 95780-06300-00 | NUT | 
| 39 | PAF2.6-01010001 | 69M-G3111-00-4D | BRACKET,CLAMP(LEFT) | 
| 40 | PAF2.6-07000009 |  | MARK 9 | 
| 41 | PAGB/T5782-2000 | 90101-06030-00 | BOLT | 
| 42 | PAF2.6-00000100 | 69M-G3318-00 | BRACKET,COVER ASSY | 
| 43 | PAF2.6-01040000 |  | THRUST RECEIVE ASSY | 
| 44 | PAF2.6-00000102 |  | BUSH | 
 
        
    
        
    
    
    
        - Merken 
- Accessoires 
- Boten 
- Motoren 
- Onderdelen 
- Blog