
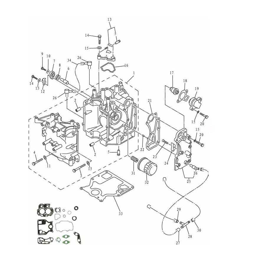
8 tot 15 PK 4-Takt 98-07 (323cc) Blok

| Nummer: | Bestelnummer: | Yamaha OEM: | Mercury OEM: | Omschrijving: |
| 1 | PAF15-07010000 | 66M-15100-02-1S | 8M0055024 | Crankcase assy |
| 2 | PAF15-07000001 | 99510-10114 | 17-825689 | Pin hollow |
| 3 | PAGB/T5783-2000 | 93102-25090 | 10-43092M | Bolt hexagon |
| 4 | PAGB/T5783-2000 | 93306-205YD | 10-41884M | Bolt hexagon |
| 5 | PAF15-07010006 | 6E5-24377-00 | 22-822644 | Pipe joint |
| 6 | PAF15-07010008 | 66M-11325-00 | 855678 | Anode |
| 7 | PAF15-07010011 | 66M-11327-00-94 | 855776 | Cover anode |
| 8 | PAF15-07010009 | 66M-11328-00 | 27-825040 | Grommet anode |
| 9 | PAGB/T5783-2000 | 10-855778 | Screw pan head | |
| 10 | PAGB/T97.1-85 | Washer 5 | ||
| 11 | PAGB/T97.1-85 | Washer 8 | ||
| 12 | PAF15-07010012 | 66M-12535-00 | 855779 | Plate anode |
| 13 | PAF15-07010013 | 66M-11168-001S | 834974 | Cover breather |
| 14 | PAGB/T5783-2000 | 97575-08550-00 | 10-8257021 | Bolt |
| 15 | PAGB/T97.1-85 | 93102-20108 | Washer 6 | |
| 16 | REC66M-11357-00 | 66M-11357-00 | 26-850850 | Breather gasket |
| 16 | PAF15-07010014 | 66M-11357-00 | 26-850850 | Breather gasket |
| 17 | PAF15-07000031 | 66M-12411-01 | Thermostaat | |
| 18 | REC62Y-12414-00 | 62Y-12414-00 | 27-824853 | Gasket thermostaat |
| 18 | PAF15-07010022 | 62Y-12414-00 | 27-824853 | Gasket thermostaat |
| 19 | PAF15-07010021 | 6H3-12413-001S | 8250311 | Cover thermostaat |
| 20 | PAGB/T5783-2000 | 90201-08818 | 10-82500930 | Bolt |
| 21 | REC66M-41114-01 | 66M-41114-01 | Gasket exhaust outer cover | |
| 21 | PAF15-07010018 | 66M-41114-01 | 27-834952002 | Gasket exhaust outer cover |
| 22 | PAF15-00000013 | 93604-12M07 | Pin dowel | |
| 23 | PAGB/T5783-2000 | 68D-E5362-00 | Screw | |
| 24 | PAF15-07010026 | 6E5-11325-00 | Anode | |
| 25 | PAF15-07010019 | 66M-41113-20-1S | 834953T02 | Outter cover exhaust |
| 26 | PAF15-04000005 | 676-11372-00 | 22-83326M | Water nipple |
| 27 | PAF15-05000012 | 90445-09061 | Hose A | |
| 28 | PAF15-05000011 | 688-24378-00 | Three way pipe | |
| 29 | PAF15-05000013 | 90445-09086 | Hose B | |
| 30 | PAF15-05000014 | 90445-09104 | Hose c | |
| 31 | PAF15-07010003 | 90401-20M00 | 822625 | Bolt Union |
| 32 | PAF15-07010023 | 5GH-13440-00 | Oil cleaner | |
| 32 | REC5GH-13440-00 | 5GH-13440-00 | Oil cleaner | |
| 32 | REC35-822626Q03 | 35-822626Q03 | Oil cleaner | |
| 33 | REC66M-11351-10 | 66M-11351-10 | 27-8354272 | Gasket engine |
| 33 | PAF15-00000014 | 66M-11351-10 | 27-8354272 | Gasket engine |
| 34 | PAF15-07010007 | 90445-10M46 | Hose return oil |
-
Yamaha/Mercury/Parsun Bolt Union F9.9/F13.5/F15/F20/F25 (90401-20M00, 822625)Vanaf € 17,95 € 14,83
-
Yamaha/Mercury/Mariner/Parsun Cover Thermostaat 9.9 t/m 70 hp (6H3-12413-00-9M, 8250311)Vanaf € 14,95 € 14,95
-
Yamaha/Mercury/Mariner/Parsun Spile Water Assy F2.5 t/m 115 HP (676-11372-00, 22-83326M)Vanaf € 16,95 € 14,01
-
Yamaha/Mercury/Parsun Bolt 2/F2.5/F4/F9.9/F13.5/F15/F20/F25/25/40Vanaf € 4,95 € 4,09
-
Yamaha/Mercury/Parsun Cylinder Gasket T/FT9.9 F9.9 F15 F13.5 (66M-11351-10)Vanaf € 19,95 € 16,49
-
Yamaha / Honda / Mercury Oliefilter 8 t/m 300 PK (822626Q03, 8M0162832)Vanaf € 10,95 € 9,05
-
Yamaha/Mercury/Parsun Three Way Pipe 4-6 mm 688-24378-00€ 15,95 € 13,18























